Breaking

Post Top Ad

Your Ad Spot

dimanche 4 avril 2021

Schéma du démarrage des moteurs asynchrones triphasés

 

1/ démarrage direct :

       - circuit de puissance .

         - circuit de commande .

2/ démarrage étoile - tringle :

         - circuit de puissance.

        - circuit de commande.

3/ démarrage statorique :

        - circuit de puissance.

        - circuit de commande.

4/ démarrage rotorique :

       - circuit de puissance.

       - circuit de commande.

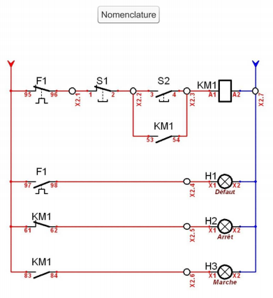
                                         démarrage direct 

                                                                 circuit de puissance


                                                 
                                      circuit de commande





                                démarrage étoile - tringle

                                                        circuit de puissance






                                      circuit de commande





                                   démarrage statorique
                                        circuit de puissance




                                        circuit de commande




                                   démarrage rotorique
                                       circuit de puissance



                                    circuit de commande






Aucun commentaire:

Enregistrer un commentaire

Post Top Ad

Your Ad Spot