I - Raccordement d’un automate programmable
I.1 - Introduction
Les automatismes sont réalisés en vue d’apporter des solutions à des problèmes de nature technique, économique ou humaine.
Eliminer les tâches dangereuses et pénibles, en faisant exécuter par la machine les tâches humaines complexes ou indésirables.
Améliorer la productivité en asservissant la machine à des critères de production, de rendement ou de qualité.
Piloter une production variable, en facilitant le passage d’une production à une autre.
Renforcer la sécurité en surveillant et contrôlant les installations et machines.
On distingue dans tout système automatisé la machine ou l’installation et la partie commande constituée par l’appareillage d’automatisme. Cette partie commande est assurée par des
constituants répondant schématiquement à quatre fonctions de base :
• L’acquisition des données.
• Le traitement des données.
• La commande de puissance.
• Le dialogue homme machine.
I.2 - Structure fonctionnelle de l’automate :
L’automate programmable industriel est un appareil qui traite les informations selon un programme préétabli.
Son fonctionnement est basé sur l’emploi d’un micro processeur et de mémoires.
Structure d’un système de traitementI.2.1 - Interface d’entrée
Elles permettent d’isoler électroniquement le circuit externe (saisie de l’information) du circuit de traitement.
I.2.2 - L’ unité centrale:
cœur de l’automate, elle est constituée:
- d’un processeur qui exécute le programme.
- de mémoires qui, non seulement contiennent ce programme, mais aussi des informations de données (durée d’une temporisation, contenu d’un compteur).
Les types de mémoires :
Mémoires vives:
RAM – Random Access Memory ( Mémoire à accès aléatoires) Ce sont des mémoires volatiles.Lues et écrites par le processeur.
Mémoires mortes:
ROM – Read only memory.
PROM – ROM programmable NE PEUVENT PAS ETRE EFFACES.
REPROM – effacement par UV.
EEPROM – effacement électrique.
I.2.3 - Interface de sortie
Elles permettent de commander les sorties toute ou rien (TOR) telle que : les contacteurs, les moteurs pas à pas, les électrovannes et ainsi des sorties analogiques (boucle de régulation débit température et variateur de vitesse).
I.2.4 - Communication et dialogue
Elle est réalisée avec l’opérateur par un pupitre de dialogue ou par l’intermédiaire d’un ordinateur et avec les autres automates pour un réseau informatique local.
I.3 - Description des automates :
Il existe deux types d’automate programmable industriel:
• le type monobloc
• le type modulaire
I.3.1 - Automate Monobloc :
Le type monobloc possède généralement un nombre d’entrées et de sorties restreint et son jeu d’instructions ne peut être augmenté. Bien qu’il soit parfois possible d’ajouter des extensions d’entrées/sorties, le type monobloc a pour fonction de résoudre des automatismes simples faisant appel à une logique séquentielle et utilisant des informations tout-ou-rien.

FIGURE 1 :Automate monobloc TSX Nano
Exemple 1 : automate monobloc.
Fig. 2 automate monobloc
1- Une prise (1) pour raccordement du terminal de programmation .
2- Un sélecteur pour codage de la fonction base / extension.
3- Deux points de réglage analogique.
4- Une visualisation :
- Des entrées 0 à 8 ou 0 à 13 et sorties 0 à 6 ou 0 à 9,
- De l’état automate (RUN, ERR, COM, I/O).
5- Un raccordement de l’alimentation secteur
6- Une alimentation capteurs (=24V/150mA) sur modèles alimentés en ∼
100...240V.
7- Un raccordement des capteurs d’entrées.
8- Un raccordement des préactionneurs de sorties.
9- Un raccordement extension (extension d’entrées /sorties et / ou extension
automate) ou raccordement Modbus esclave.
10- Un cache amovible pour protection des borniers à vis.
I.3.2 - Automate Modulaire:
Par ailleurs, le type modulaire est adaptable à toutes situations. Selon le besoin, des modules d’entrées/sorties analogiques sont disponibles en plus de modules spécialisés tels: PID, BASIC et Langage C, etc. La modularité des API permet un dépannage rapide et une plus grande flexibilité. La figure 3 présente un automate modulaire.

FIGURE 3:API MODULAIRE
Exemple 2 :automate modulaire :
Fig. 4 automate modulaire :
L’automate TSX 37-08 comprend :
1- Un bac à 3 emplacement.
2- Un bloc de visualisation centralisé.
3- Une prise terminal repérée TER.
4- Une trappe d’accès aux bornes d’alimentation.
5- Deux modules à 16 entrées et 12 sorties « Tout ou Rien » positionnés dans le
premier et le deuxième emplacements (positions 1, 2, 3 et 4).
6- Une trappe d’accès à la pile optionnelle.
7- Un emplacement disponible.
8- Un bouton de réinitialisation.
I.4 - Les applications de l’automate :
Les automates trouvent leur application en milieu industriel, domestiques. On cite quelques exemples courants :
Exemple n°1: Feux de carrefour
Fig. 5 : Feux de carrefour
Description
On régle la circulation d’un carrefour de deux voies A et B par des feux tricolores (Rouges, orange, vert).
Exemple 2 : Portail coulissant.
Fig. 6 : Portail coulissant.
Soit un portail coulissant à commander :
- Le portail étant fermé, le contact fin de course fcFE est actionné ;
- On appuie sur le bouton-poussoir d’ouverture S3, le moteur actionne le portail et provoque
son ouverture ;
- En fin d’ouverture, le contact fin de course fcOU est actionné, il signale l’ouverture du portail, et il coupe l’alimentation du moteur.
L’action sur le bouton-poussoir de fermeture provoque l’inversion de sens de marche du moteur, et la fermeture du portail.
Le portail libère le contact fcOU, et se déplace jusqu’à actionner le contact fcFE qui provoque
l’arrêt du moteur.
Exemple 3 système de perçage
Fig. 7 système de perçage
Exemple 4° système de pompage
Fig. 8 système de pompage
I.5 - Les différents modules d’entrée/ sortie :
Les modules d’entrée / sortie sont les interfaces qui permettent de communiquer avec le micro presseur.
On distingue :
- Les interfaces d’entrée.
- Les interface de sortie.
I.5.1 - Interface d’entrée :
a) Interface Tout on rien (TOR)
A partir d’un signal quelconque en entrée, les interfaces fournissent en sortie deux tensions 0V ou 5V Ces interfaces sont de type à contact, ou statique.
Fig. 9 : Interface d’entrée tout ou rien à relais
Fig. 10 : Interface d’entrée tout ou rien statique.
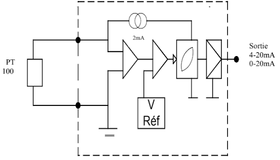
b) Transmetteurs analogiques
Les transmetteurs analogiques : Tension / intensité permettent d’adapter les signaux issus des capteurs pour les rendre compatibles avec l’unité de traitement. La variation de la grandeur d’entre est convertie en une variation :
- En tension : de 0V, à10V
- En intensité : de 0 Ma à 20mA, ou de 4 mA à 20mA
Exemple : Transmission de mesure de température effectuée par une sonde PT
Fig. 11 Interface d’entrée analogique
I.5.2 - Interface de sortie :
a) Interface de sortie tout ou rien
La sortie de l’unité de traitement peut s’effectuer soit sur relais, soit sur transistor (TTL), ou avec un triac.
fig.12 Interface de sortie statique avec triac
fig.13 Interface de sortie statique à transistor
b) Interfaces de sorties analogiques
Les conventions digitaux /analogiques ont pour fonction de générer un signal analogique normalisé
(0-10 V ;0-20mA) à partir d’ une information numérique, délivrée par l’ unité de traitement et codée en binaire, sur des sorties digitales TOR raccordées aux entrées de l’ interface( ou convertisseur).
fig14 Interface de sortie numérique/analogique
Fig. 15 Modules E/S
Fig 16 Les bornes sont des E/S
Fig 17 : Le n° 1 est un connecteur pour une entrée sortie analogique
TSX DMZ 28DR
F IG 18 Câblage des entrées/sorties TOR :
I.6 - Les logiciels de programmation :
Ce tableau récapitulatif donne le logiciel et le type d’automate conforme à ce dernier. L’opérateur peut communiquer avec l’automate soit à travers un P.C portable ,fixe (Fig.18) ou avec la console (Fig. 19,20). On lie l’automate au PC (ou à la console) par un câble(RS232).
Fig. 19 PC portable
Fig20 console Fig. 21 console
I.7 - Les étapes à suivre pour raccorder un automate:
Pour raccorder un automate, il est recommandé de suivre :
• Les spécifications du fabricant
• La technique de raccordement
• De vérifier si les modules sont dans leurs embases respectives. Vérifier le type, le numéro du modèle et le diagramme de câblage. Vérifier l’emplacement des embases dans le document pour l’assignation des adresses d’E/S.
• De localiser le paquet de fils correspondant à chaque module et le diriger à travers le conduit à l’emplacement du module.
Identifier chacun des fils dans le paquet et s’assurer qu’ils correspondent à ce module en particulier.
• En commençant avec le premier module, repérer le fil dans le paquée qui se branche à la borne la plus basse. Au point où le fil arrive à la même hauteur que le point de terminaison, plie le fil à angle droit vers la borne.
• De couper le fil pour qu’il dépasse de 6 mm du côté de la vis de la borne. Dégainer l’isolant du fil à approximativement 9 mm Insérer le fil sous la plaque de la borne et serrer la vis.
• Si deux modules ou plus utilisent la même source d’alimentation, on peut utiliser du cavalier «jumpers» pour le câblage de la source d’alimentation d’un module à l’autre.
• Si le câble blindé est utiliser, en brancher seulement un bout à la mise à la terre, préférablement au châssis. Ce branchement évitera toutes boucles possibles de retour de masse. L’autre bout doit être coupé et non branché.
• De répéter la procédure de câblage pour chaque fil du paquet jusqu’à ce que le câblage du module soit complété. Après que tous les fils aient été branchés, tirer doucement sur chacun pour s’assurer d’avoir un bon branchement.
De répéter la procédure de câblage jusqu’à ce que tous les modules soient terminés.
Fig 22 : Raccordement des alimentations :
II - ACCES AUX FONCTIONS D’UN AUTOMATE :
II.1 - Les Langages de programmation :
II.1.1 - Langage à contacts
Structure d’un programme :
Un programme en langage à contacts est composé d’une suite de réseaux de contacts
exécutée de façon séquentielle par l’automate :
Dessiné entre deux barres de potentiel, un réseau est un ensemble d’éléments graphiques
représentant : • les entrées/sorties de l’automate (boutons-poussoirs, détecteurs, relais, voyants...),
• des fonctions d’automatismes (temporisateurs, compteurs...),
• des opérations arithmétiques, logiques et spécifiques,
• les variables internes de l’automate.
Ces éléments graphiques sont reliés entre eux par des connexions horizontales et verticales.
( Voir figure 1 )
Fig 2 : Exemple écrit avec un langage à contacts
II.1.2 - Langage GRAFCET
Le GRAFCET est une représentation graphique qui permet la transcription du
fonctionnement d’un système automatique. Il prend en compte les entrées et les sorties, et
définit le comportement séquentiel du système.
L’étape correspond à une situation élémentaire ayant un comportement stable.
Une transition indique la possibilité d ‘ évolution d ‘une étape à l’ étape suivante. A chaque
transition , on associe une, ou des conditions logiques qui traduisent la notion de
réceptivité.
Fig 3 : exemple avec langage grafcet
II.1.3 - Présentation du langage liste d'instructions :
a) Principe
Un programme écrit en langage liste d'instructions se compose d’une suite d'instructions
exécutées séquentiellement par l’automate.
Chaque instruction est composée d'un code instruction et d'un opérande.
Ces instructions agissent sur :
• les entrées/sorties de l’automate (boutons-poussoirs, détecteurs, relais, voyants...).
• des fonctions d’automatismes (temporisateurs, compteurs...).
• des opérations arithmétiques et logiques et des opérations de transfert.
• les variables internes de l’automate.
Il existe 2 types d'instructions.
• Instruction de test, dans laquelle figurent les conditions nécessaires à une action, ex : LD,
AND, OR...
• Instruction d'action, qui sanctionne le résultat consécutif à un enchaînement de test.
ex : ST, STN, R, ...
b) Les instructions
Instructions de base
c) Structure d’un programme
Généralités
Comme en langage à contacts, les instructions sont organisées en séquence d'instructions
(équivalent à un réseau de contacts) appelée phrase. Chaque phrase se compose d'une à
plusieurs instructions de test, le résultat de ces instructions étant appliqué à une ou plusieurs
instructions d'action.
Une instruction occupe une ligne maximum. Chaque phrase commence par un point
d'exclamation (généré automatiquement), elle peut comporter un commentaire et être repérée
par une étiquette.
! (*Attente de séchage*)
%L2:
LD %I0.1
AND %M10
ST %Q2.5
Commentaire
Le commentaire peut être intégré au début d'une phrase et peut occuper 3 lignes maximum
(soit 222 caractères alphanumériques), encadrés de part et d'autre par les caractères (* et *).
Il
facilite l’interprétation de la phrase à laquelle elle est affectée, mais n’est pas obligatoire.
Les commentaires s’affichent uniquement à partir de la première ligne de la phrase. En cas de
suppression d’une phrase, le commentaire qui lui est associé est également supprimé.
Les commentaires sont mémorisés dans l’automate et sont accessibles à tout moment par
l’utilisateur. A ce titre, ils consomment de la mémoire programme.
Étiquette
L’étiquette permet de repérer une phrase dans une entité de programme (programme principal,
sous-programme, ...) mais n’est pas obligatoire.
Cette étiquette a la syntaxe suivante : %Li avec i compris entre 0 et 999 et se position en
début d’une phrase.
Un repère d’étiquette ne peut être affecté qu’à une seule phrase au sein d’une même entité de
programme.
Par contre il est nécessaire d’étiqueter une phrase afin de permettre un branchement après un
saut de programme.
L’ordre des repères des étiquettes est quelconque, c’est l’ordre de saisie des phrases qui est
prise en compte par le système lors de la scrutation.
Utilisation des parenthèses
Les instructions AND et OR peuvent utiliser des parenthèses.
Ces parenthèses permettent de
réaliser des schémas à contacts de façon simple.
L'ouverture de parenthèses est associée à
l'instruction AND ou OR. La fermeture de parenthèse est une instruction, elle est obligatoire
pour chaque parenthèse ouverte.
Exemple : AND
Exemple : OR
Aux parenthèses peuvent être associées les modificateurs :
• N négation, ex : AND(N ou OR(N,
• F front descendant (Falling edge), ex : AND(F ou OR(F,
• R front montant (Rising edge), ex : AND(R ou OR(R,
• [ comparaison.
Imbrication de parenthèses
Il est possible d'imbriquer jusqu'à 8 niveaux de parenthèses.
Exemple
• chaque parenthèse ouverte doit être impérativement refermée.
• les étiquettes %Li: ne doivent pas être placées dans des expressions entre parenthèses, ainsi
que les instructions de saut JMP et d'appel à sous programme SRi.
• les instructions d'affectation ST, STN, S et R ne doivent pas être programmées entre
parenthèses.
Instructions MPS, MRD, MPP
Les 3 types d'instruction permettent de traiter les aiguillages vers les bobines.
Ces instructions utilisent une mémoire intermédiaire appelée pile pouvant stocker jusqu'à 3
informations booléennes. L'instruction MPS (Memory PuSh) a pour effet de stocker le résultat de la dernière instruction
de test au sommet de la pile et de décaler les autres valeurs vers le fond de la pile.
L'instruction MRD (Memory ReaD) lit le sommet de la pile.
L'instruction MPP (Memory PoP) a pour effet de lire, de déstocker le sommet de la pile et de
décaler les autres valeurs vers le sommet de la pile.
Exemples :
Programmer une instruction
Les automates TSX sont programmables en langage LIST : listes d’instructions ou
LADDER : langage à contacts.
Instruction « AND » (« ET ») : transcription de deux ou plusieurs contacts en série
Instruction « ANDN » (« ET NON ») :
Instruction « OR » («OU») :
Instruction « ORN » («OU NON») :
II.2 - Les principales instructions d’un automate :
Les principales instructions avec lesquelles ont peut programmer aisément se résument dans
ce tableau:
II.3 - L’utilisation d’un logiciel de programmation :
Pour pouvoir utiliser le logiciel :
1- Il faut d’abord commencer par l’installation du logiciel de programmation ,pour cela on
met le CD ROM dans le lecteur de CD ROM et suivre les démarches habituelles
d’installation soit sous Windows ou sous dos (Exécuter, Parcourir, etc.…).
2- Configurer le matériel c’est à dire spécifier l’automate avec lequel on va travailler en
donnant sa référence .
3- On choisit le mode de programmation en choisissant l’éditeur approprie : Ladder (à
contact) ; (LD) langage structurée (LS), ou Grafcet, (CHART).
4- Le mode en ligne consiste à passer l’application pour que l’automate l’exécute. Pour
cela le logiciel offre cette possibilité qui permet de passer du Mode local en mode
connecté en appuyant sur l’icône Connecter, puis Transférer.
II.4 – Les moyens d’accès aux fonctions d’un automate :
Les moyens d’accès aux fonctions d’un automate consiste à configurer l’automate, voir
comment est structuré les mémoire et enfin comment connaître les paramètres de
communication.
- La procédure qu’on énoncer concerne le logiciel PL7 Micro adapté à l’automate TSx3708
et version 3.0.
- On commence par ouvrir une nouvelle application.
- Dans le menu Fichier on appuie sur nouveau.
- On passe à la configuration matérielle en choisissant l’automate dans une série offerte par
logiciel.
- Pour allouer l’espace nécessaire à l’application.
- On pourra voir dans le menu AP ; le menu Bilan mémoire qui nous montre comment la
mémoire est partagé.
Configuration des E/S
Le logiciel doit permettre de sélectionner la position et le format du module( format
standard, demi-format) à configurer soit par clic sur la souris ou en manipulant les touches
flèches du clavier.
La configuration logicielle permet de définir pour l’application :
--Le nombre des différents types de blocs de fonctions.
--Le nombre de mots registres.
--Le nombre de bits internes °/°Mi.
--Le nombre de mots internes °/° MW.
--Le nombre de constantes °/° KW.
1/ Ecriture des adresses des E/S :
Bit = % I 1.O %Q 2.3
Mot = % IW 6.2 °/° QW6.O
2 / Ecriture des adresses des Bit internes
%B1
3 / Écriture des adresses des Le bloc fonction
°/° T1
°/° C1
II.5 - La méthode de programmation : (Résumé)
La méthode proposée vous permet de programmer, tester, mettre au point et sauvegarder votre
programme.
Étape 1 : Configuration de l’application
Nom de l’application, valeurs des constantes, horodateur, paramètre des compteurs,
temporisateurs.
Étape 2 : Saisie des symboles
Saisie des noms de Symboles pour chaque repère utilisé dans votre programme automate
(contacts, bobines…).
Étape 3 : Saisie du programme
Et validation des saisies.
Étape 4 : Sauvegarde régulière du programme
En cours de saisie –PC vers disque.
Étape 5 : Transfert du programme dans l’automate
Étape 6 : Mise en RUN et teste du programme
Étape 7: Mise au point du programme
Éditeur de données.
Étape 8 : Sauvegarde du programme
Après mise au point – Automate ¬ di
Étape 9 : création du dossier de l’application
III - Diagnostic des problèmes de fonctionnement d’un automatisme simple
commandé par un automate:
III.1 - Visualisation centralisée :
Les automates sont équipés d’un bloc de visualisation centralisant toutes les
informations nécessaires au contrôle, au diagnostic et à la maintenance de l’automate et de ses
modules, et des fonctions simples de dialogue opérateur. Les automates sont équipés des
blocs de visualisation qui se différent selon la marque(l' éxemple.pris est celui de marque
Télémécanique).
La visualisation centralisée offre :
• La visualisation de l’état des voies d’entrées / sorties locales ou distantes (entrées / sorties
des automates Nano).
• La visualisation des équipements sur le bus AS-i et le diagnostic de ce dernier (voir page
2/60)
• Le diagnostic des voies ou des modules en défaut.
• La visualisation de données internes :
- Bits,
- Chaînes de bits,
- Chaînes de mots,
- Variables du programme (étapes actives, informations d’application…)
• Une visualisation numérique multiple sur 4 digits.
Description
Fig. 1 Bloc de visualisation centralisée
Le bloc de visualisation centralisée comprend :
1. Trois ensembles de 32 voyants (DEL) représentant les emplacements des modules
implantés dans le bac de base ou le mini bac d’extension.
2. Une ligne d’information formée de voyants (DEL) signalant les modes de fonctionnement
de la visualisation.
3. Un bouton-poussoir de commande donnant accès aux différents modes de fonctionnement
de la visualisation.
4. Cinq voyants (DEL) :
- RUN, marche / arrêt de l’automate.
- TER, trafic sur la prise terminal.
- I/O, défaut processeur ou application.
- BAT, défaut ou absence de pile.
III.2 - Les problèmes de fonctionnement d’un automate programmable :
- Méthode générale de dépannage d’un automate simple commandé par un automate.
• Tout système est divisé en quatre blocs :
- Bloc 1 : alimentation.
- Bloc 2 : commande.
- Bloc 3 : puissance.
- Bloc 4 : sortie.
- Faire une vérification visuelle des composants :
• Si le composant défectueux est facilement repérable, le remplacer. Faire une vérification
obligatoire
des causes du défaut avant de passer à l’étape suivant.
• Si le composant défectueux est difficilement repérable, aller directement à l’étape
suivante.
• S’il n’y a pas de danger, débranchement de la sortie du système et branchement sur une
charge factice («dummy load ») avant de procéder à un essai de mise en marche.
- Vérification de l’état des composants durant essai (vue, odorant, ouïe, toucher).
- Si rien ne fonctionne, vérification des blocs selon l’endroit où le défaut est le plus
susceptible de s’être produit, 1, 4, 3, 2.
- En cas de fonctionnement partiel, vérification des blocs selon l’endroit où le défaut est le
plus susceptible de s’être produit, 4, 3, 1, 2.
- Une fois la réparation effectuée, essai de fonctionnement du système pendant un temps
suffisant pour permettre de conclure que le système est fonctionnel.
- Application des normes du fabricant (attendre le temps nécessaire pour que tous les
appareils entrent en action). Poursuite de l’attente jusqu’à ce que les appareils atteignent leur
température de fonctionnement de manière à s’assurer que le système ne tombe pas en panne
à cause d’une dérive thermique des composants.
- S’il faut débrancher un composant, s’assurer que toutes les alimentations sont hors fonction.
- Les appareils de mesure suggérés pour le dépannage du système automatisé sont :
ordinateur, voltmètre, pince ampèremétrique et oscilloscope (éviter le plus possible
l’utilisation de l’ampèremètre série pour minimiser les risques de défaut par mauvais
branchement). L’ohmmètre devrait être utiliser avec beaucoup de précaution.
- Utiliser le caractéristique de l’automate en mode :
• Manuel ;
• Automatique ;
• Étape par étape.
Décoder les messages d’erreurs.
III.3 - Les modifications apportées au programme d’un automate :
L’avantage de la logique programmé par rapport à la logique câblée c’est qu’elle offre la
possibilité de modifier la programme telle que :
- La modification de la valeur de présélection d’un temporisateur, d’un compteur /
dé compteur.
- Changer un contact fermé ou ouvert par un autre type de contact.
- Ajouter une bobine, ou un sous programme etc.
IV - L’essai d’un automatisme simple commandé par un automate :
IV.1 - Les dangers potentiels :liés à l’utilisation d’un automate :
Le forçage des entrées / sorties consiste à mettre à 1 le bit image de ces dernières grâce
au logiciel de programmation.
Ou procède au forçage lorsque :
- Ou ne dispose pas matériellement des entrées ou sorties. (absence d’un bouton
poussoir pour la mise en marche d’un engin, absence d’un contacteur…)
- On veut déceler les défauts provenant E/S.
- On veut voir l’évolution de la programmation du processus automatisme avant de
passer au câblage.
Le forçage est prioritaire, il est conseillé de l’utiliser avec précaution car il présente
certains dangers.
Exemple 1 :
Lorsqu’on force à 1 un sortie automate qui commande l’ouverture d’une vanne
évacuant de l’air chaude, celle-ci peut brûler les travailleurs, endommager le matériel autour.
Exemple 2 :
Le forçage d’une entrée commandant la fermeture, automatisée de l’issue de secours,
ou la sortie d’un vérin.
Ajoutons que le verrouillage par logiciel s’avère insuffisant comme moyens de
sécurité.
Il est indispensable de procéder à un verrouillage matériel ainsi qu’a la procédure de
cadenassage parfois car il est plus sécuritaire.
IV.2 - L’essai d’un automatisme simple:
On doit confirmer qu’un automatisme commandé par automate est fonctionnel, après avoir
lancé l’exécution et vérifier que :
- L’ensemble fonctionne pendant une durée assez suffisante permettant d’atteindre
les températures de fonctionnement afin de s’assurer que le système est fonctionnel
et qu’il ne va pas tomber en panne à cause d’une dérive thermique de composants.
- Si on effectue un essai après avoir changer un ou plusieurs composants défectueux,
on vérifie que tout entre en action après le changement effectué.
Aucun commentaire:
Enregistrer un commentaire