I. Problème de démarrage des moteurs asynchrones
Le branchement du moteur au réseau électrique peut se réaliser par :
 Démarrage direct : Si le courant de démarrage n’entraîne pas la détérioration des enroulements du moteur ou l’installation accompagnant. Utilisé pour les moteurs faibles puissances.
 Utilisation d’un procédé de démarrage s’il y a risque de détérioration des enroulements du moteur ou l’installation accompagnant.
II. Démarrage direct
II.1. Principe
Dans ce procédé de démarrage, le moteur asynchrone est branché directement au réseau d’alimentation le démarrage s’effectue en un seul temps. Le courant de démarrage peut atteindre 4 à 8 fois le courant nominal du moteur. Le couple de décollage est important, peut atteindre 1,5 fois le couple nominale.
II.2. Démarrage semi-automatique à un seul sens de marche
On veut démarrer un moteur asynchrone triphasé dans un sens de marche avec un bouton poussoir S1 et l’arrêter par l’arrêter avec un bouton poussoir S0.
II.2.1. Circuit de puissance
II.3. Démarrage direct semi-automatique à deux sens de marche
On veut démarrer un moteur asynchrone triphasé dans deux sens de rotation, par un bouton poussoir S1 pour le sens 1, par un bouton poussoir S2 pour le sens 2 et un bouton poussoir S0 pour l’arrêt.
II.3.1. Circuit de puissance
KM1 : contacteur sens 1
KM2 : contacteur sens 2
II.4. Démarrage direct semi-automatique à deux sens de marche avec butées de fin de course
On veut démarrer un moteur asynchrone triphasé dans deux sens de rotation par l’action de deux boutons poussoirs, S1 pour le sens 1, S2 pour le sens 2. Chaque sens est arrêté par une butée de fin de course, respectivement S3 pour le sens 1 et S4 pour le sens 2. Un bouton poussoir S0 arrête le moteur à n’importe quel instant.
II.4.1. Circuit de puissance
Même circuit de puissance qu’en (II.3.1)
II.4.2. Circuit de commande
II.5. Démarrage direct semi-automatique à deux sens de marche avec butées de fin de course et inversion de sens de rotation
Dans ce cas de démarrage, la butée S3 ou S4, une fois actionnée, elle change le sens de marche du moteur.
II.5.1. Circuit de puissance
Même circuit de puissance qu’en (II.3.1)
II.5.2. Circuit de commande
III. Limitation du courant de démarrage
Contrairement au démarrage direct, le démarrage des moteurs moyennes et fortes puissances nécessite l’utilisation de procédés de limitation de courant de démarrage tout en maintenant les performances mécaniques de l’ensemble « moteur-machine entraînée ». Il existe deux types d’actions :
 Action sur le stator : Consiste à réduire la tension aux bornes des enroulements statoriques. On peut réaliser le démarrage par:
 Couplage étoile-triangle.
 Elimination des résistances statoriques.
 Utilisation d’un auto-transformateur.
Ce type d’action est utilisé pour les moteurs moyennes puissances.
 Action sur le rotor : Consiste à augmenter la résistance rotorique au démarrage. On peut réaliser le démarrage par:
 Elimination des résistances rotoriques.
 Utilisation des moteurs à cages multiples …
Ce procédé de démarrage est accompagné en plus de la réduction du courant de démarrage, d’une augmentation du couple de démarrage.
Ce type de démarrage est utilisé pour les moteurs fortes puissances.
IV. Démarrage étoile-triangle
IV.1. Principe
Le démarrage s’effectue en deux temps :
 1 er temps : chaque enroulement du stator est alimenté sous une tension réduite en utilisant le couplage Y. Il est le temps nécessaire pour que la vitesse du moteur atteigne environ 80% de sa vitesse nominale.
 2 ème temps : chaque enroulement du stator est alimenté par sa tension nominale changeant le couplage au triangle.
Ce type de démarrage est utilisé pour les moteurs à couplage triangle lors de leur fonctionnement normal.V.1.2. Circuit de commande
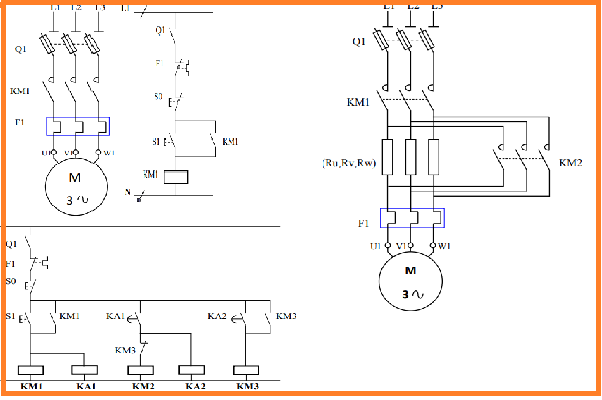
V.2. Démarrage par élimination de résistances statoriques à deux sens de marche
V.2.1. Circuit de puissance
KM1 : contacteur « sens1 »
KM2 : contacteur « sens2»
KM3 : contacteur de court- circuit des résistances (Ru,Rv,Rw).
V.2.2. Circuit de commande
VI. Démarrage par élimination de résistances rotoriques
VI.1. Principe
Ce type de démarrage est utilisé pour les moteurs à rotor bobiné dont les enroulements sont couplés en Y, et les trois sorties sont soudés à des bagues fixées sur l’arbre du moteur auxquels on peut insérer des résistances à l’aide de balais frotteurs.
Ce démarrage consiste à alimenter le stator du moteur par la tension nominale et éliminer les résistances rotoriques en plusieurs temps (3 temps au minimum).
1 er temps : On insère la totalité des résistances dans les enroulements du rotor.
2 ème temps : On diminue la résistance du circuit rotor en éliminant une partie des résistances insérées.
3 ème temps : On élimine toutes les résistances rotoriques en court-circuitant les enroulements du rotor.
VI.2. Démarrage par élimination de résistances rotoriques à un seul sens de marche 
 
 
Aucun commentaire:
Enregistrer un commentaire